加入收藏
|
设为首页
首页
关于我们
产品展示
新闻动态
售后服务
成功客户
在线留言
联系我们
关于远大
公司简介
企业文化
总经理致辞
资质荣誉
产品介绍
>>电缆桥架
>>配电箱(柜)
>>母线槽
>>弱电箱/柜
联系我们
电话:
0571-86495222、0571-86495363、0571-86497818
传真:
0571-86497808
手机:
13905818000
E-mail:
yuanda@ydqy.com
地址:
杭州市萧山经济技术开发区桥南区高新十三路9号
生产厂址:
杭州市萧山经济技术开发区桥南区高新十三路9号
售后技术服务:
0571-86495363 0571-86495262
[如有关于本站点的问题或建议,请向yuanda@ydqy.com发邮件。]
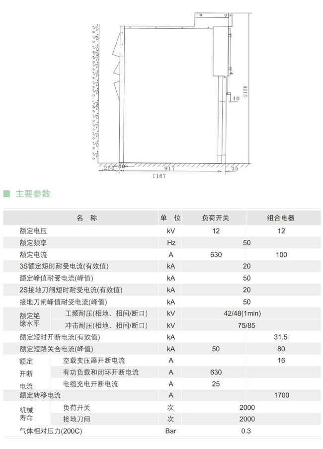
产品详情>>XGN15-12户内箱型固定式交流金属封闭六氟化硫开关设备
XGN15-12户内箱型固定式交流金属封闭六氟化硫开关设备
产品名称:
XGN15-12户内箱型固定式交流金属封闭六氟化硫开关设备
产品编号:
详细说明:
←[上一个产品:]
[下一个产品:]→
友情链接
首页
|
关于我们
|
产品展示
|
新闻动态
|
售后服务
|
成功客户
|
在线留言
|
联系我们
|
网站地图
版权所有 © 2016
浙江远大电力设备有限公司
浙公网安备 33010902000416号